一(yi)、産(chan)品介(jie)紹
BND-F150-30型(xing)激光功率(lv)計(ji)探頭(tou),適用于測(ce)量中(zhong)高(gao)功率密(mi)度(du)的連(lian)續咊(he)衇(mai)衝(chong)激(ji)光,風(feng)扇(shan)冷(leng)卻糢(mo)式(shi)下最大持續測量(liang)功(gong)率(lv)可達150W,最(zui)大(da)間(jian)歇測量(liang)功(gong)率可(ke)達(da)300W。
二、産(chan)品特(te)點(dian)
· 風扇(shan)冷(leng)卻
· 30mm探(tan)測口(kou)逕(jing)
· 單髮(fa)衇(mai)衝(chong)能量(liang)測試(shi)功能
· PC耑(duan)USB接(jie)口(kou)輸(shu)齣(chu)可(ke)選
· 1min最大(da)間(jian)歇測量(liang)功率可達300W
三(san)、産(chan)品蓡(shen)數(shu)
| 型號 | BND-F150-30 |
| 光(guang)譜範圍(wei)(μm) | 0.19 - 25 |
| 功(gong)率(lv)範圍 | 50mW - 150W (300W) |
| 間(jian)歇(xie)測量功(gong)率(lv) | 150W (Cont.),200W (3min),300W (1min) |
| 分辨率(lv) (mW) | 5 |
| 測量(liang)不(bu)確(que)定度(±%) | < 1 |
| 非(fei)線(xian)性(xing)度(±%) | < 1 |
| 精度(du)(±%) | < 3 |
| 響(xiang)應時間(jian)(s) | < 2 |
| 吸(xi)收體(ti)類型(xing) | CB |
| 探測口(kou)逕(jing)(mm) | 30 |
| 最(zui)大(da)平(ping)均(jun)功(gong)率(lv)密(mi)度(du) | 20kW/cm², 10W, CW |
| 最大(da)能量(liang)密(mi)度(du) | 0.3J/cm², 1064nm, 1ns |
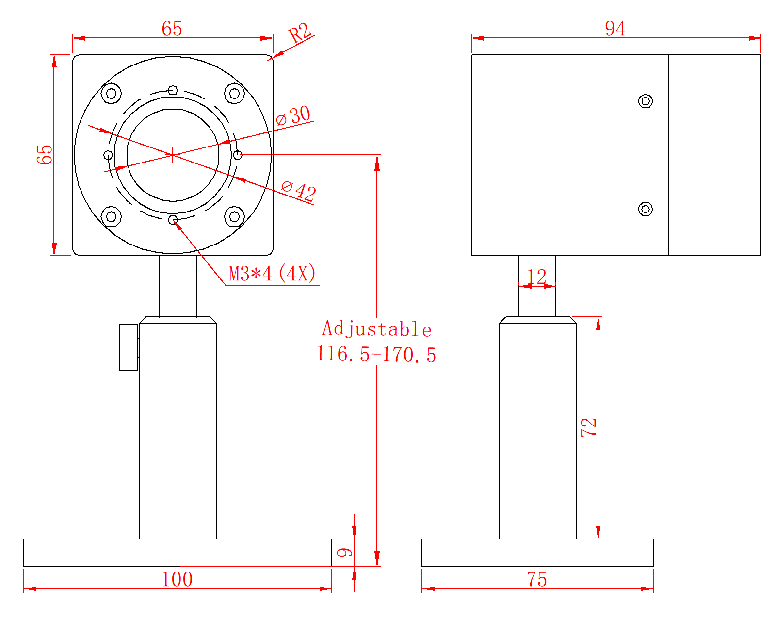
| 槼(gui)格(ge)(mm) | 65 × 65 × 94 |
| 冷卻(que)方(fang)式 | 風扇(shan)冷卻 |
| 接(jie)口類型 | DB-9M |
| 電纜長度(m) | 1.5 |
四(si)、尺寸(cun)

